Einheit

Vollauszug-Teleskopschiene mit Kugellager, optional mit verschiedenen Verriegelungsoptionen: „Verriegelung geschlossen, Verriegelung geöffnet, Verriegelung geschlossen und geöffnet frontbedient“. Diese Schiene gehört zur Kategorie der Ultra-Schwerlasten und unterstützt Lasten bis zu 325 kg/716,5 lbs.

Spezifikationen

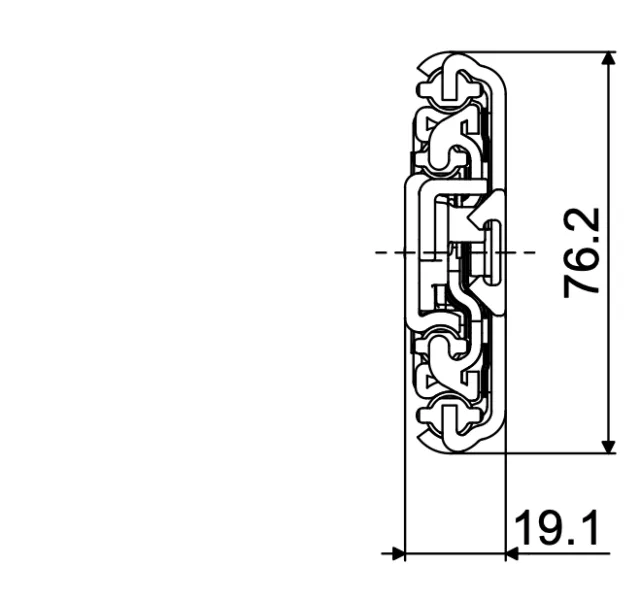
Telescopic slide - Cross section - TR - 7619 JUMBO Telescopic slide - Cross section - TR - 7619 JUMBO
Tragfähigkeit
225 - 325 kg 496 - 717 lbs
Höhe
76.2 mm 3 in
Einbaubreite
19.1 mm 0.75 in
Fixierung (Schrankseite)
Metall
M5 / DIN 7984
M5 / M6 / ISO 7380
Holz
-
Fixierung (Schubladenseite)
Metall
M5 / DIN 7984
M5 / M6 / ISO 7380
Holz
-

Technische Informationen

Artikelnummer
Länge Länge
Auszugsweg
Tragfähigkeit
Download
114S31
300 mm
11.81 in
298 mm
11.73 in
225 kg
496 lbs
114S32
350 mm
13.78 in
366 mm
14.41 in
235 kg
518 lbs
114S33
400 mm
15.75 in
398 mm
15.67 in
250 kg
551 lbs
114S34
450 mm
17.72 in
464 mm
18.27 in
255 kg
562 lbs
114S35
500 mm
19.69 in
512 mm
20.16 in
260 kg
573 lbs
114S36
550 mm
21.65 in
562 mm
22.13 in
265 kg
584 lbs
114S37
600 mm
23.62 in
610 mm
24.02 in
275 kg
606 lbs
114S46
650 mm
25.59 in
660 mm
25.98 in
285 kg
628 lbs
114S38
700 mm
27.56 in
708 mm
27.87 in
295 kg
650 lbs
114S47
750 mm
29.53 in
758 mm
29.84 in
300 kg
661 lbs
114S39
800 mm
31.5 in
806 mm
31.73 in
310 kg
683 lbs
114S43
850 mm
33.46 in
854 mm
33.62 in
315 kg
694 lbs
114S40
900 mm
35.43 in
904 mm
35.59 in
320 kg
705 lbs
114S41
1000 mm
39.37 in
1000 mm
39.37 in
325 kg
717 lbs
114S44
1100 mm
43.31 in
1098 mm
43.23 in
305 kg
672 lbs
114S42
1200 mm
47.24 in
1212 mm
47.72 in
295 kg
650 lbs
114S48
1350 mm
53.15 in
1358 mm
53.46 in
245 kg
540 lbs
114S45
1500 mm
59.06 in
1504 mm
59.21 in
225 kg
496 lbs

Mehr als ein Produkt

Unser Ansatz ergänzt unsere Produkte.
Arbeiten Sie mit uns zusammen und erleben Sie einen zuverlässigen Partner, der an Ihrer Seite steht und bei jedem Schritt mitdenkt.

Co-Design
Qualität
Nachhaltigkeit
Fabrik der Zukunft

Zubehörkomponenten

Aschlaggummi geschlosssen

Der Anschlaggummi im geschlossenen Zustand einer Teleskopschiene ist so konzipiert, dass er ein Zuschlagen der Schublade verhindert und Stöße beim Schließen absorbiert. Bei dieser Funktion wird in der Regel ein Anschlaggummi verwendet, der am Ende der Bewegung der Schublade platziert ist und die Schließbewegung dämpft und die Geräuschentwicklung reduziert. Im Gegensatz zu Systemen mit Feststellfunktion hält dieser Stoßfänger die Schublade jedoch nicht in der geschlossenen Position geschlossen. Es bietet einfach ein Schließerlebnis, dass die Haltbarkeit und den Komfort erhöht und gleichzeitig sicherstellt, dass die Schublade leise schließt.

Bumper without hold
Zubehörkomponenten

Verriegelung im geschlossenen Zustand

Die Verriegelungs-Funktion im geschlossenen Zustandeiner Teleskopschiene wird verwendet, um die Schublade sicher geschlossen zu halten, bis Sie die Verriegelung manuell lösen. Diese Funktion stellt sicher, dass sich die Schublade nicht unbeabsichtigt öffnet, selbst wenn Ihre Anwendung bewegt oder gekippt wird. Der Verriegelungsfunktion geschlossen ist besonders nützlich in mobilen Umgebungen, wie z. B. in Spezialfahrzeugen, Booten oder Arbeitsplätzen, wo Stabilität entscheidend ist.

Vertical latch front release
Zubehörkomponenten

Verriegelung im geöffneten Zustand

Die Verriegelung im geöffneten Zustand einer Teleskopschiene sorgt dafür, dass die Schublade im ausgefahrenen Zustand verriegelt und bis zum Lösen der Verriegelung nicht versehentlich wieder hineingeschoben werden kann. Um die Schublade wieder einzufahren, muss die Verriegelung manuell entriegelt werden, um einen kontrollierten Betrieb zu gewährleisten. Die Verriegelungs-Funktion ist besonders nützlich in Umgebungen, in denen Sicherheit und Präzision von entscheidender Bedeutung sind. 

Lock out disconnect 2
Zubehörkomponenten

Lock-in/out front release

Vertical latch front release
Befestigungsmöglichkeiten

Löcher

Löcher in einer Teleskopschiene dienen dazu, die Schiene sowohl an der Montagefläche als auch am Schrank und an der Schublade zu befestigen. Sie bieten Befestigungspunkte für Schrauben oder Bolzen, die dafür sorgen, dass die Teleskopschiene während des Betriebs fest an seinem Platz bleibt. Darüber hinaus ermöglichen einige Löcher eine Anpassung der Positionierung, was eine präzise Ausrichtung und reibungslose Bewegung ermöglichen. 

Profiel Rond Gat

Angebot anfordern

Sie fordern ein Angebot für das Produkt an:
TR-7619 JUMBO

Cookies

Wir verwenden eigene Cookies und Cookies von Drittanbietern, um diese Website korrekt anzuzeigen und besser zu verstehen, wie sie genutzt wird, mit dem Ziel, unsere Dienste zu verbessern. Du kannst auswählen, welche Arten von Cookies du zulassen möchtest. Du kannst deine Einstellungen jederzeit ändern.