TRA-1710 JUNIOR

TRA 1710 JUNIOR
Unità

Guida telescopica a sfere a estensione singola con fissaggio a vite, appartenente alla nostra gamma di guide per carichi leggeri. Dotata di ammortizzatore, è perfetta ad esempio per piccoli espositori da punto vendita. Supporta carichi fino a 13 kg (28,7 lbs).

Specifiche

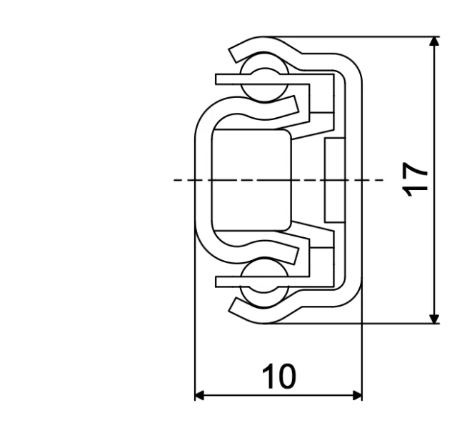
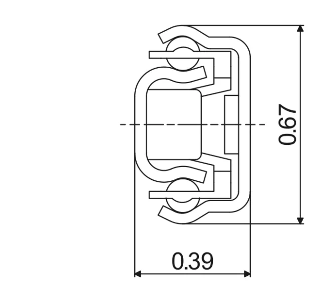
Telescopic slide - Cross section - TRA - 1710 JUNIOR Telescopic slide - Cross section - TRA - 1710 JUNIOR
Capacità di carico
8 - 13 kg 18 - 29 lbs
Altezza
17 mm 0.67 in
Larghezza
10 mm 0.39 in
Fissaggio (lato armadio)
Metallo
M3 / ISO 7380
Legno
2.9 / DIN 7981 / ISO 7049
Fissaggio (lato cassetto)
Metallo
M3 / DIN 7985 / ISO 7045
Legno
2.9 / DIN 7981 / ISO 7049

Informazioni tecniche

Numero articolo
Lunghezza Lunghezza
Corsa
Portata
Download
13617S07
178 mm
7.01 in
129 mm
5.08 in
8 kg
18 lbs
File STEP
13617S08
182 mm
7.17 in
133 mm
5.24 in
8 kg
18 lbs
File STEP
13617S09
214 mm
8.43 in
140 mm
5.51 in
8 kg
18 lbs
File STEP
13617S01
246 mm
9.69 in
172 mm
6.77 in
11 kg
24 lbs
File STEP
13617S10
278 mm
10.94 in
204 mm
8.03 in
11 kg
24 lbs
File STEP
13617S02
310 mm
12.2 in
212 mm
8.35 in
13 kg
29 lbs
File STEP
13617S03
342 mm
13.46 in
244 mm
9.61 in
13 kg
29 lbs
File STEP
13617S11
374 mm
14.72 in
276 mm
10.87 in
11 kg
24 lbs
File STEP
13617S04
406 mm
15.98 in
308 mm
12.13 in
11 kg
24 lbs
File STEP
13617S05
438 mm
17.24 in
318 mm
12.52 in
10 kg
22 lbs
File STEP
13617S12
470 mm
18.5 in
350 mm
13.78 in
8 kg
18 lbs
File STEP
13617S06
502 mm
19.76 in
382 mm
15.04 in
8 kg
18 lbs
File STEP

Più di un prodotto

Il nostro approccio si integra perfettamente con i nostri prodotti. Collabora con noi e troverai un partner affidabile che lavora al tuo fianco, ragionando insieme a te in ogni fase del percorso!

Co-creazione
Qualitá
Sostenibilitá
Fabbrica del futuro

Fissaggi

Foro

I fori in una guida telescopica servono per fissare la guida sia alla superficie di montaggio o al mobile, sia al cassetto. Forniscono punti di ancoraggio per viti o bulloni, garantendo che la guida rimanga saldamente in posizione durante l’utilizzo. Inoltre, alcuni fori consentono regolazioni nella posizione, facilitando un allineamento preciso e un movimento fluido.

Profiel Rond Gat

Richiedi un preventivo

Stai richiedendo un preventivo per il prodotto:
TRA-1710 JUNIOR

Cookies

Utilizziamo cookie propri e di terze parti per visualizzare correttamente questo sito web e comprendere meglio come viene utilizzato, al fine di migliorare i servizi che offriamo. Puoi scegliere quali tipi di cookie consentire. Puoi modificare le tue preferenze in qualsiasi momento.