TR-3715 FINN 3

telescopic slide

TR-3715 FINN 3 Telescopic slide | Thomas Regout International
Units

Two-beam telescopic ball bearing drawer slide with a drawer carrier and bumper. Very strong single extension slide with a load capacity up to 78 kg/172 lbs. This roll formed slide can be easily used in professional storage applications.

Specifications

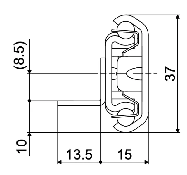
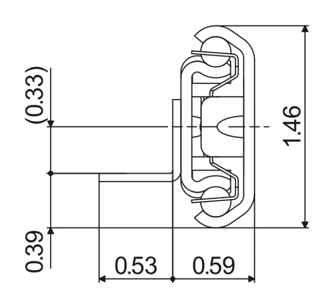
Telescopic slide - Cross section - TR - 3715 FINN 3 Telescopic slide - Cross section - TR - 3715 FINN 3
Load capacity
46 - 78 kg 101 - 172 lbs
Height
37 mm 1.46 in
Width
15 mm 0.59 in
Fixation (cabinet side)
Metal
M4 / DIN 7984
M5 / DIN 7985 / ISO 7045
M4 / M5 / ISO 7380
Wood
5.0 / DIN 7997
Fixation (drawer side)
Metal
M3 / DIN 7985 / ISO 7045
Wood
3.0 / DIN 7997

Technical information

Article number
Length Length
Travel
Load capacity
Downloads
107239F
300 mm
11.81 in
205 mm
8.07 in
78 kg
172 lbs
107240F
350 mm
13.78 in
239 mm
9.41 in
63 kg
139 lbs
107241F
400 mm
15.75 in
289 mm
11.38 in
54 kg
119 lbs
107242F
450 mm
17.72 in
339 mm
13.35 in
46 kg
101 lbs
STEP files Drawing (Metric) Drawing (Imperial)
107243F
500 mm
19.69 in
373 mm
14.69 in
54 kg
119 lbs
107245F
600 mm
23.62 in
457 mm
17.99 in
56 kg
123 lbs
107247F
700 mm
27.56 in
541 mm
21.3 in
56 kg
123 lbs

More than a product

Our approach complements our products. Partner with us, and you'll find a reliable teamplayer who works alongside you, thinking with you every step of the way!

Co-creation
Quality
Sustainability
Factory of the Future

features

Bumper with hold closed

A bumper with hold-closed function of a telescopic slide combines the benefits of dampening with the added feature of keeping the drawer closed. This system has a bumper that not only absorbs impact and reduces noise when the drawer closes but also includes a mechanism that keeps the drawer shut when it’s in the closed position. This feature is ideal for maintaining a tidy and stable appearance while providing added security and durability.

Bumper with hold
fixations

Hole

Holes in a telescopic slide are used to secure the slide to both the mounting surface or the cabinet and the drawer. They provide attachment points for screws or bolts, ensuring that the slide remains firmly in place during operation. Additionally, some holes allow for adjustments in positioning, facilitating precise alignment and smooth movement. 

Profiel Rond Gat
fixations

Drawer carrier

A drawer carrier on a telescopic slide is an angle bar, mounted on a slide, to mount and support a drawer. This component is directly attached to the drawer and moves along with it. 

Drawer carrier

Request a quote

You are requesting a quote for the product:
TR-3715 FINN 3

Cookies

We use our own cookies and third-party cookies so that we can display this website correctly and better understand how this website is used, with a view to improving the services we offer. You can choose which types of cookies you allow. You can change your preferences at any time.