TR-3727 FINN DOUBLE

TR-3727 FINN DOUBLE Telescopic slide | Thomas Regout International
Eenheden

Volledig uittrekbare telescopische kogellagergeleider voor horizontaal of verticaal gebruik met geïntegreerde bumper. Ondersteunt belastingen tot 52 kg. Biedt toegang tot beide zijden van de lade zonder ruimteverlies.

Specificaties

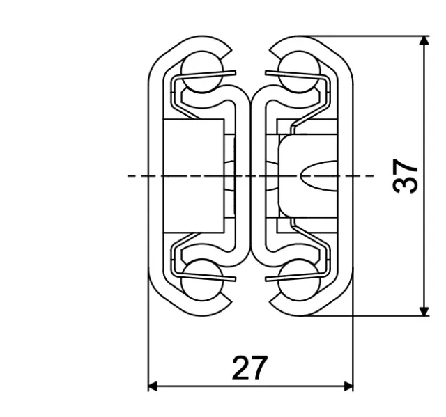
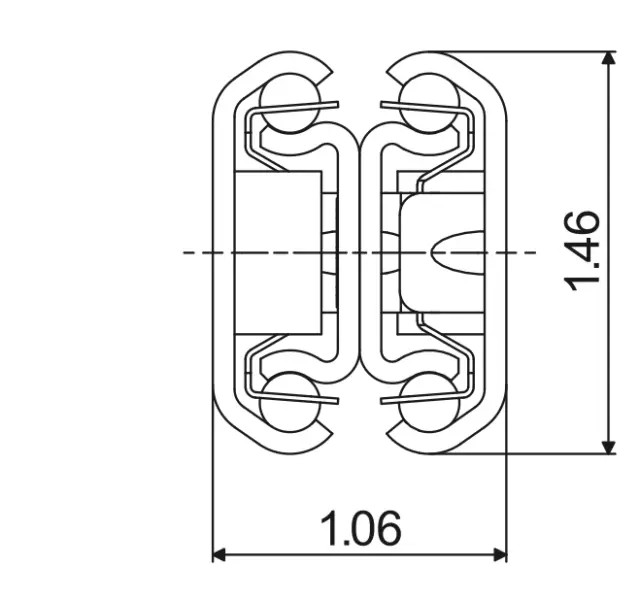
Telescopic slide - Cross section - TR - 3727 FINN DOUBLE Telescopic slide - Cross section - TR - 3727 FINN DOUBLE
Draagvermogen
52 - 52 kg 115 - 115 lbs
Hoogte
37 mm 1.46 in
Dikte
27 mm 1.06 in
Bevestiging (kastzijde)
Metaal
M4 / DIN 965 / ISO 7046
M4 / DIN 7500
Hout
4.0 / DIN 7997
Bevestiging (ladezijde)
Metaal
M4 / DIN 965 / ISO 7046
M4 / DIN 7500
Hout
4.0 / DIN 7997

Technische informatie

Artikelnummer
Lengte Lengte
Uitreklengte
Draagvermogen
Downloads
117270
315 mm
12.4 in
395 mm
15.55 in
52 kg
115 lbs
STEP-bestanden Tekening (metrisch) Tekening (imperiaal)

Meer dan een product

Onze aanpak versterkt onze producten. Ga de samenwerking met ons aan en ervaar een betrouwbare partner die met je meedenkt – in elke stap van het proces.

Co-creatie
Kwaliteit
Duurzaamheid
Factory of the Future

features

Bumper met sluitfunctie

Een bumper met sluitfunctie in een telescopische geleider combineert de voordelen van demping met de extra functie om de lade gesloten te houden. Dit systeem heeft een kunststof bumper die niet alleen schokken absorbeert en geluid vermindert bij het sluiten van de lade, maar ook de lade in gesloten positie houdt. Deze functie biedt extra veiligheid en duurzaamheid.

Bumper with hold
fixations

Verzonken montage-gat

Verzonken montagegaten zijn speciale gaten die ervoor zorgen dat bevestigingsmiddelen, zoals schroeven of bouten, gelijk liggen met of onder het oppervlak van het basismateriaal van de geleider. Verzonken gaten voorkomen contact tussen de bevestigingsmiddelen en bewegende onderdelen in onze geleiders.

Countersunk holes

Offerte aanvragen

Je vraagt een offerte aan voor het product:
TR-3727 FINN DOUBLE

Cookies

We gebruiken eigen cookies en cookies van derden om deze website correct weer te geven en beter te begrijpen hoe de website wordt gebruikt, zodat we onze diensten kunnen verbeteren. Je kunt zelf kiezen welke soorten cookies je toestaat. Je kunt je voorkeuren op elk moment wijzigen.